概述
HL系列電動執行器,采用蝸輪蝸桿傳動機構,結構緊湊,自鎖性高,并擁有極佳的耐候性和抗震性,產品具有電氣與機械雙重限位,防止超程。安裝尺寸符合IS05211標準,適用于蝶閥,球閥,風閥,旋塞閥等各種閥門,廣泛運用于樓宇/公共建筑城市管網等系統。
特性
扭矩范圍:50Nm-6000Nm
獨立接線腔
體積小,結構緊湊,方便安裝
90度回轉啟閉迅速
簡單高效的機械結構具有自鎖且傳動精度高
功能強勁,多種控制信號與反饋信號供選擇
IP67高防護等級(可選P68)
內置防潮加熱除濕器,防止冷凝
模組化設計,易于拆裝及維修
參數
扭矩范圍 | 50-6000Nm |
供電電壓 | AC24V/220V/380V..(±10%)DC12V/24V/48V.(±10%) |
頻率 | 50/60Hz(±5%) |
行程角度 | 0-90° |
行程/輔助開關 | 2xSPDT,250VAC 5A |
電纜接口 | 開關型:1-M20x1.5 |
調節型:2-M20x1.5 | |
連接法蘭 | ISO5211 |
位置指標 | 機械刻度指示(選配3D雙色刻度凸蓋指示) |
手動裝置 | 手柄(選配手輪) |
防護等級 | IP67(選配IP68,15米-72小時) |
工作環境 | 環境溫度-25℃至70℃(選配-40℃至70℃) |
環境溫度不大于95% | |
防結露裝置 | 內置防潮加熱器 |
過熱保護 | 電機內置過熱保護,啟動溫度125℃(±5%) |
斷電狀態 | 斷電保位 |
斷信號狀態 | 4-20mA/2-10V斷信號全開/全關可調(出廠默認斷信號保位) |
0-10V斷信號全關 | |
工作制 | 開關型:S2-15分鐘; 調節型:S4-50% |
過力矩保護 | 選配 |
電機 | 鼠籠式異步電機,絕緣等級F級(可選配H級) |
噪音 | ≤70dB(A)-1M |
機械參數
型號 | 扭矩 (N.m) | 輸出軸 (mm) | 安裝法蘭 ISO5211 | 參考重量 (KG) |
HL1-05 | 50 | 14*14 | F03/F05/F07 | 3 |
HL2-10 | 100 | 17*17 | F05/F07 | 4 |
HL2-16 | 160 | 17*17 | F05/F07 | 4.5 |
HL3-25 | 250 | 22*22 | F07/F10/F12 | 9 |
HL3-40 | 400 | 22*22 | F07/F10/F12 | 9.5 |
HL3-60 | 600 | 27*27 | F07/F10/F12 | 9.5 |
HL4-100 | 1000 | 27*27 | F12 or F10/F14 | 14.5 |
HL4-160 | 1600 | 36*36 | F12 or F10/F14 | 14.5 |
HL4-200 | 2000 | 36*36 | F12 or F10/F14 | 14.5 |
HL5-250 | 2500 | 36*36 | F14 or F12/F16 | 24.9 |
HL5-300 | 3000 | 36*36 | F14 or F12/F16 | 24.9 |
HL6-400 | 4000 | 46*46 | F16 or F25 | 43.5 |
HL6-600 | 6000 | 46*46 | F16 or F25 | 57.1 |
電氣性能參數
1PH
型號 | 扭矩 (N.m) | 時間 (Sec/0-90°) | 電機功率 (W) | 110VAC電流(A) | 220VAC電流(A) | ||
運行 | 堵轉 | 運行 | 堵轉 | ||||
HL1-05 | 50 | 30 | 10 | 0.45 | 0.67 | 0.24 | 0.31 |
HL2-10 | 100 | 20 | 30 | 0.65 | 0.96 | 0.35 | 0.45 |
HL2-16 | 160 | 30 | 30 | 0.65 | 0.96 | 0.35 | 0.45 |
HL3-25 | 250 | 30 | 40 | 0.72 | 1.41 | 0.38 | 0.71 |
HL3-40 | 400 | 30 | 60 | 1.0 | 1.74 | 0.5 | 0.95 |
HL3-60 | 600 | 30 | 90 | 1.5 | 2.62 | 0.75 | 1.48 |
HL4-100 | 1000 | 30 | 150 | 3 | 5.92 | 1.5 | 2.87 |
HL4-160 | 1600 | 50 | 150 | 3 | 5.92 | 1.5 | 2.87 |
HL4-200 | 2000 | 60 | 150 | 3 | 5.92 | 1.5 | 2.87 |
HL5-250 | 2500 | 50 | 200 | 3.9 | 7.24 | 1.9 | 3.05 |
HL5-300 | 3000 | 60 | 200 | 3.9 | 7.24 | 1.9 | 3.05 |
HL6-400 | 4000 | 100 | 200 | 4.1 | 7.13 | 2.1 | 3.17 |
HL6-600 | 6000 | 150 | 200 | 4.1 | 7.13 | 2.1 | 3.17 |
DC
型號 | 扭矩 (N.m) | Time (Sec/0-90°) | 電機功率 (W) | 110VAC電流(A) | 220VAC電流(A) | ||
運行 | 堵轉 | 運行 | 堵轉 | ||||
HL1-05 | 50 | 20 | 15 | 1.1 | 2.6 | 0.7 | 1.5 |
HL2-10 | 100 | 15 | 25 | 1.7 | 2.7 | 0.8 | 1.6 |
HL2-16 | 160 | 20 | 25 | 1.7 | 2.7 | 0.9 | 1.6 |
HL3-25 | 250 | 15 | 40 | 4.0 | 6.5 | 2.1 | 5.3 |
HL3-40 | 400 | 15 | 60 | 6.8 | 10.3 | 3.6 | 5.3 |
HL3-60 | 600 | 15 | 90 | 9.5 | 15.8 | 4.6 | 6.5 |
HL4-100 | 1000 | 30 | 90 | 9.5 | 16.4 | 4.6 | 6.5 |
HL4-160 | 1600 | 30 | 120 | 15 | 27 | 8 | 10.3 |
HL4-200 | 2000 | 30 | 150 | 18 | 27 | 10 | 15.8 |
3PH
型號 | 扭矩 (N.m) | Time (Sec/0-90°) | 電機功率 (W) | 110VAC電流(A) | 220VAC電流(A) | ||
運行 | 堵轉 | 運行 | 堵轉 | ||||
HL1-05 | 50 | 30 | 10 | 0.11 | 0.13 | 0.1 | 0.12 |
HL2-10 | 100 | 20 | 30 | 0.12 | 0.17 | 0.11 | 0.13 |
HL2-16 | 160 | 30 | 30 | 0.13 | 0.17 | 0.12 | 0.13 |
HL3-25 | 250 | 30 | 40 | 0.18 | 0.25 | 0.17 | 0.23 |
HL3-40 | 400 | 30 | 60 | 0.25 | 0.49 | 0.23 | 0.47 |
HL3-60 | 600 | 30 | 90 | 0.3 | 0.49 | 0.27 | 0.47 |
HL4-100 | 1000 | 30 | 150 | 0.67 | 1.31 | 0.59 | 1.11 |
HL4-160 | 1600 | 50 | 150 | 0.67 | 1.31 | 0.59 | 1.11 |
HL4-200 | 2000 | 60 | 150 | 0.67 | 1.31 | 0.59 | 1.11 |
HL5-250 | 2500 | 50 | 200 | 0.9 | 1.76 | 0.79 | 1.54 |
HL5-300 | 3000 | 60 | 200 | 0.9 | 1.76 | 0.79 | 1.54 |
HL6-400 | 4000 | 100 | 200 | 0.9 | 1.76 | 0.79 | 1.54 |
HL6-600 | 6000 | 150 | 200 | 0.9 | 1.76 | 0.79 | 1.54 |
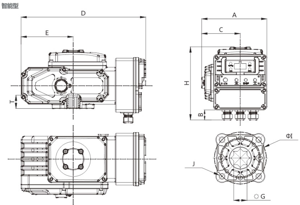
外觀尺寸

型號 | A | B | C | D | E | H | T | G | ΦI | J |
HL1-05 | 115 | 26 | 71 | 180 | 87 | 121 | 26 | 9*9 11*11 14*14 | 36 50 70 | 4-M5 4-M6 4-M8 |
HL2-10 | 125 | 26 | 83 | 220 | 105 | 140 | 35 | 11*11 14*14 17*17 | 50 70 | 4-M6 4-M8 |
HL2-16 | 125 | 26 | 83 | 220 | 105 | 140 | 35 | |||
HL3-25 | 168 | 26 | 104 | 294 | 140 | 160 | 45 | 17*17 22*22 27*27 | 70 102 125 | 4-M8 4-M10 4-M12 |
HL3-40 | 168 | 26 | 104 | 294 | 140 | 160 | 45 | |||
HL3-60 | 168 | 26 | 104 | 294 | 140 | 160 | 45 | |||
HL4-100 | 193 | 26 | 124 | 315 | 145 | 195 | 50 | 22*22 27*27 36*36 | 125 102 140 | 4-M12 4-M10 4-M16 |
HL4-160 | 193 | 26 | 124 | 315 | 145 | 195 | 50 | |||
HL4-200 | 193 | 26 | 124 | 315 | 145 | 195 | 50 | |||
HL5-250 | 242 | 26 | 148 | 341 | 150 | 266 | 61 | 27*27 36*36 | 140 125 165 | 4-M16 4-M12 4-M20 |
HL5-300 | 242 | 26 | 148 | 341 | 150 | 266 | 61 | |||
HL6-400 | 266 | / | 155 | 439 | 189 | 309 | 82 | 36*36 46*46 | 165 254 | 4-M20 8-M16 |
HL6-600 | 266 | / | 155 | 439 | 189 | 309 | 82 |
外觀尺寸

型號 | A | B | C | D | E | H | T | G | ΦI | J |
HL1-05 | 144 | 26 | 70.5 | 236 | 87 | 177 | 26 | 9*9 11*11 14*14 | 36 50 70 | 4-M5 4-M6 4-M8 |
HL2-10 | 151 | 26 | 82.5 | 275 | 105 | 178 | 35 | 11*11 14*14 17*17 | 50 70 | 4-M6 4-M8 |
HL2-16 | 151 | 26 | 82.5 | 275 | 105 | 178 | 35 | |||
HL3-25 | 176 | 26 | 104 | 336 | 140 | 197 | 45 | 17*17 22*22 27*27 | 70 102 125 | 4-M8 4-M10 4-M12 |
HL3-40 | 176 | 26 | 104 | 336 | 140 | 197 | 45 | |||
HL3-60 | 176 | 26 | 104 | 336 | 140 | 197 | 45 | |||
HL4-100 | 210 | 26 | 124 | 359 | 145 | 202 | 50 | 22*22 27*27 36*36 | 125 102 140 | 4-M12 4-M10 4-M16 |
HL4-160 | 210 | 26 | 124 | 359 | 145 | 202 | 50 | |||
HL4-200 | 210 | 26 | 124 | 359 | 145 | 202 | 50 | |||
HL5-250 | 250 | 26 | 147.5 | 422 | 150 | 266 | 61 | 27*27 36*36 | 140 125 165 | 4-M16 4-M12 4-M20 |
HL5-300 | 250 | 26 | 147.5 | 422 | 150 | 266 | 61 | |||
HL6-400 | 266 | 26 | 155 | 515 | 189 | 309 | 82 | 36*36 46*46 | 165 254 | 4-M20 8-M16 |
HL6-600 | 266 | 26 | 155 | 515 | 189 | 309 | 82 |
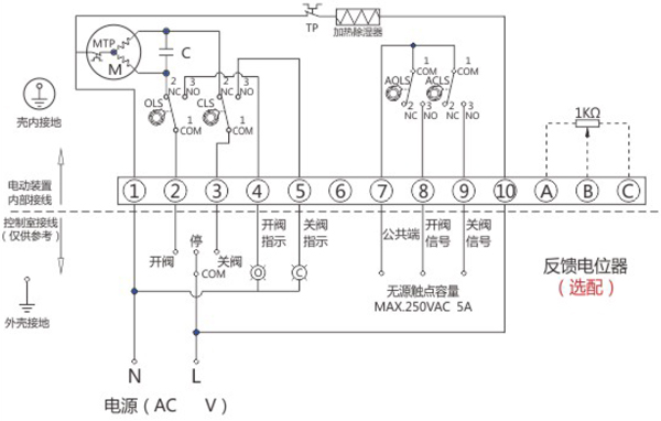
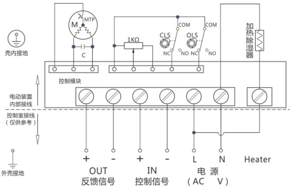
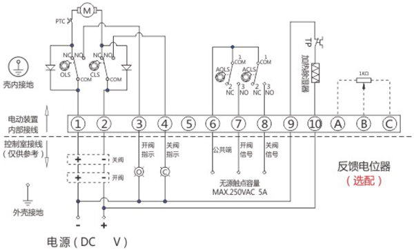
電路接線圖
| S型:基本開關型(單相電源) |
端子接線說明: 1、端子1接電源零線 2、電源相線與端子2接通時為“開”運行,至行程開關0LS動作后停止,同時端子2與端子4接通: 3.、電源相線與端子3接通時為“關”運行,至行程開關CLS動作后停止,同時端子3與端子5接通 4、端子7為無源信號觸點公共端,"開”運行到位時與端子8接通,“關”運行到位時與端子9接通 5、端子10為加熱除濕器接線端 6、端子B為電位器動臂 7、端子A為電位器低端,端子AB之間阻值隨"開"方向運行時增大 8、端子C為電位器高端,端子B、C之間阻值隨"開"方向運行時減少 注意: 1、不能將兩臺或兩臺以上電動裝置并聯使用,否則可能會出現開關不到位或電機過熱現象: 2、無源觸點的開閥信號/關閥信號,僅作指示用,比行程開關早約3觸發。 | |
| A型:基本調節型(單相電源) |
接線說明: 1、“電源”輸入端的“N"接零線,“L"接相線; 2、“IN”端的“+”接輸入信號的正極,“一”接輸入信號的負極 3、"OUT”端的”+”接輸出信號的正極,“一”接輸出信號的負極。 4、"Heater'”端為加熱除濕端。 注意 1、無源觸點的開閥信號/關閥信號,僅作指示用,比行程開關早約3°觸發。 | |
| S型:基本開關型(三相電源) |
端子接線說明: 1、端子1、2、3接經過倒相電路后的三相電源: 2、端子4為控制電路的公共端: 3、端子5為“開”運行控制,至行程開關0LS動作后,端子5與端子4斷開: 4、端子6為“關”運行控制,至行程開關CLS動作后,端子6與端子4斷開 5、端子7為無源信號觸點公共端,“開”運行到位時與端子8接通,“關“運行到位時與端子9接通: 6、端子10為加熱除濕器接線端。 7、端子B為電位器動臂 8、端子A為電位器低端,端子A、B之間阻值隨開方向運行時增大 9、端子C為電位器高端,端子B、C之間阻值隨開"方向運行時減少 注意: 1、三相電源存在相序問題,剛開始調試使用時,要保證行程開關能正確控制電動裝置的開和關,否則會造成電動裝置失控和損壞電動裝置: 2、無源觸點的開閥信號/關閥信號,僅作指示用,比行程開關早約3觸發。 | |
| S型:基本開關型(直流電源) |
端子接線說明 1、端子1接電源正極,端子2接電源負極時,“開”方向運行,至行程開關0LS動作后停止,同時端子1與端子3接通: 2、端子1接電源負極,端子2接電源正極時,“關”方向運行,至行程開關CLS動作后停止,同時端子2與端子4接通 3、端子6為無源信號觸點公共端,“開”運行到位時與端子7接通,“關”運行到位時與端子8接通 4、端子9、10為加熱除濕器接線端 5、端子B為電位器動臂: 6、端子A為電位器低端,端子A、B之間阻值隨"開"方向運行時增大: 7、端子C為電位器高端,端子B、C之間阻值隨開“方向運行時減少。 注意: 1、無源觸點的開閥信號/關閥信號,僅作指示用,比行程開關早約3°觸發。 | |
| A TYPE:Basic modulating type(DC) |
接線說明 1、“電源”輸入端的“+”接電源正極,“一”接電源負極; 2、“IN”端的“+”接輸入信號的正極,“一”接輸入信號的負極: 3、“OUT”端的“+”接輸出信號的正極,“一”接輸出信號的負極 4、“Heater”端為加熱除濕端。 注意 1、無源觸點的開閥信號/關閥信號,僅作指示用,比行程開關早約3°觸發。 |
注:線框內為電動裝置內部接線,右邊部分僅供用戶配線參考。不能將二臺或數臺電動裝置的動力線并聯:不能用同一接點去控制二臺或數臺電動裝置,否則會造成失控和電機過熱。
溫馨提示:常規接線圖或其它特殊功能接線圖,都會貼在產品接線蓋的內壁上。

說明:
1、“ESD”出廠值為SP,緊急停動用戶根據需要可設為緊急開閥或緊急關閥
2、菜單內高級設置的遠控方式CC設為H,為開關量控制
3、菜單內高級設置的遠控方式CC設為'C',為模擬量4-20mA控制。